橡胶接头图例
- 2015-11-13 15:37:00
- 上海静音减振器有限公司 原创
- 5542
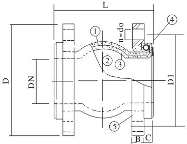
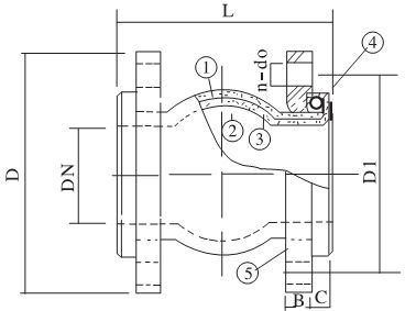
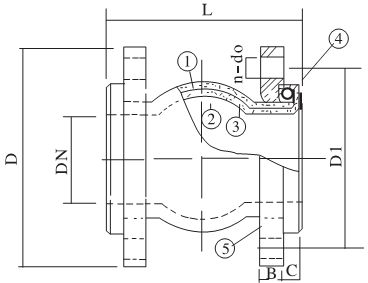
找 橡胶接头 图例,通常可以通过网络图片搜索或上橡胶接头最大 B2B 门户网站亚洲流体网或直接上业内知名厂家的官网(如上海静音减振器)等都可以查询到,以下就以最后一个资讯来源为例,为你展示两个常见的橡胶接头图例:

更多橡胶接头图例,敬请登录上海静音减振器官网了解。
本文版权归上海静音减振器有限公司所有,欢迎转载,转载请注明作者和出处
作者:上海静音减振器有限公司
扩展阅读:
橡胶减振器 橡胶接头 不锈钢波纹补偿器 橡胶软接头 弹簧减振器 上海噪音治理
相关信息:
橡胶软接头 不锈钢波纹补偿器 橡胶接头 弹簧减振器 不锈钢波纹补偿器 橡胶减振器 不锈钢波纹补偿器 上海噪音治理 不锈钢波纹补偿器
| 电话: | 15000400600 |
|---|---|
| Email: | shjingyin@163.com |
| 地址: | 上海市青浦区金泽镇商周路148号 |
| 了解我们 | 新闻资讯 | 产品中心 | 安装实例 | 选型手册及软件下载 | 服务与承诺 | 联系我们 |
|
|
|
|
|
扫描上面二维码或添加微信号“ chinanvc”
|



